
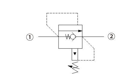
額定壓力 | 420 bar (6000 psi) |
最大流量 | 100 L/min(26 gpm) |
泄漏量 | 1mL/min@設定壓力的80% |
回座壓力 | 開啟壓力的90% |
防吸空開啟壓力 | <2 bar=""> |
插孔規格 | VH077 |
工作介質 | 礦物油 |
工作介質溫度范圍 | -26至110°C |
粘度范圍 | 7.4至420mm2/s |
油液污染度 | 最低污染度等級IS0440618/16/13級,為延長使用壽命推薦15/13/11級 |

1.安裝前請仔細確認產品的工作特性。
2.產品額定環境溫度應控制在-26℃至110℃之間,更高溫度應選擇耐高溫氟橡膠密封材料(FKM-20 ~ 150℃)。
3.劇烈的溫度變化會影響產品的性能和使用壽命,應避免熱沖擊工況。
4.請采用高品質、具有潤滑性能的礦物或合成液壓油,粘度在7.4至420 cSt之間。油液應具有高抗磨性,抗氧化性。使用過程中油液粘度最好控制在15~50 cSt,過高或過低會影響產品的使用效率。
5.防止油液污染,在所有的系統故障中,有超過75%是由污染直接引起的,油液清潔度應不低于NAS1638- NAS7級或ISO4406-18/16/13 。
6.建議壓力超過207 bar (3000 psi) 時,請選用鋼制閥塊,更高壓力下可能會影響產品的性能和疲勞壽命。
7.使用限制,本公司的液壓插裝閥設計用于各種工業和行走機械的應用,勿用于運輸爆炸物或者危險的環境。
8.在維護之前,操作人員先卸除液壓閥內部壓力。
9.注意:
9.1諸多適用于同一插孔,各種閥門之間的功能可能會截然不同。可以交換安裝并不是說其形狀或功能可以互換。用戶應核對閥門上所標的部件號與獲準的維修說明書或安裝圖紙中公布的部件號,確保插孔中安裝了合適的閥門。
9.2注意密封圈材料必須與系統液壓油和閥塊潤滑油相兼容。
地址:江蘇省常州市國家高新區龍惠路38號
服務熱線:4008884198
郵編:213169
郵箱:sales@wxhengli.com

恒立氣動公眾號

恒立氣動抖音

加微信了解更多

查看手機站
4008884198
